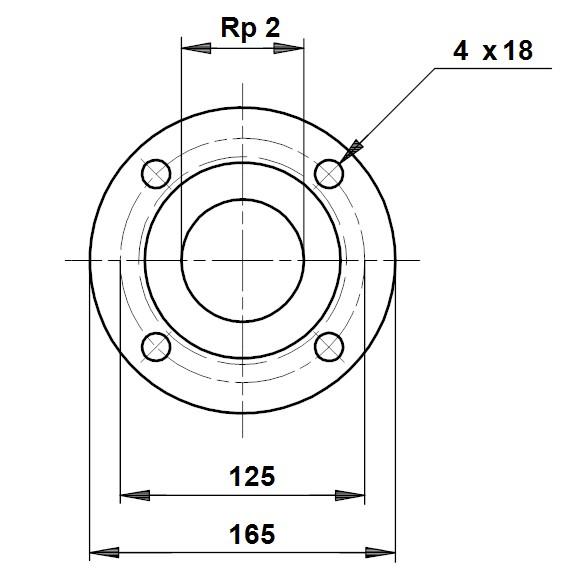
Flange standard:DIN Tryktrin:PN 10 Antal flanger:2 Antal pakninger:2 Antal møtrikker:8 Antal skruer:8
Chat med os
Send en mail
Et godt tilbud
Fragt fra 45,-
Sikker handel